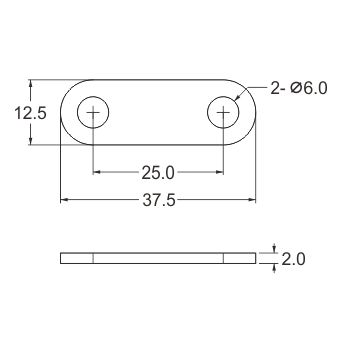
Miếng đệm cmech có vấu M1

Giá: Liên hệ