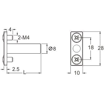
Đầu chia tiêu chuẩn loại T

Giá: Liên hệ